首页
关于我们
新闻中心
产品中心
霍尔开环电流变送器
TMR闭环电流传感器
霍尔开环电流传感器
磁通门电流传感器
霍尔闭环电流传感器
芯片级电流传感器
电流互感器
电压传感器
解决方案
加入我们
服务支持
EN
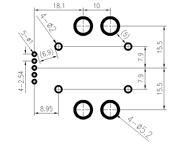
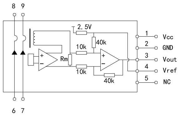
MMCMA150..200
提交产品意向单
产品详情
热门产品
MMCOA10..100
MMCOB20..50
MMCOC50..400
MMCOD50..100
MMCMA150..200-意向单
联系人
联系电话
备注
©
米特优传感科技(南京)有限公司
版权所有
苏ICP备2023026993号
在线客服
电话:
19901555518
手机:
19901555518
邮箱:
marketing@mtutronics.com
微信:
19901555518
微信号已复制
我知道了